Home | Download | Order | Contact | Company    
   
Distinctive features
Vector brushes and trajectories
Multicolor lines of variable width
Volumetric lines
Transformation of rasters
Fill by lines
Wire routing
Unlimited amount of shapes
3D images creation
Photo defects removal
Images area selection
Transparency
Storage of images of diagram components and other elements.
 
Images generator for
Web designers
Engineers
Children
Artists
Students
Ordinary users
       
Examples 
Abstractionism
Doubletjon
Animation
Banners
Pie Charts
Wallpaper 
Art
Multiwidth 
Science 
Wiring algoritm
Texures
  

Tutorial

 

 

 

 

 

 


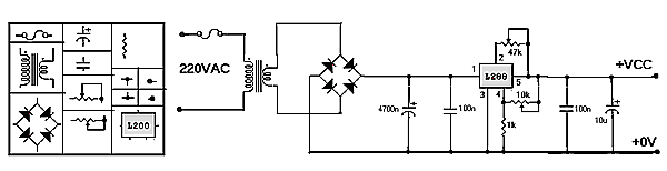
Creating of images by combining graphic components.

The program can be used as storage of images of elements. Such elements are components of the electric circuits, symbols, hieroglyphs or parts of clothes. The convenient way of a combination of these elements for creation of different images as diagrams, landscapes, identikits, texts, collages, congratulatory cards, and others is used. The program may be used for selection of clothes. Samples.