Home | Download | Order | Contact | Company    
   
Distinctive features
Vector brushes and trajectories
Multicolor lines of variable width
Volumetric lines
Transformation of rasters
Fill by lines
Wire routing
Unlimited amount of shapes
3D images creation
Photo defects removal
Images area selection
Transparency
Representation of an image as a pair of a raster and transparent color.
 
Images generator for
Web designers
Engineers
Children
Artists
Students
Ordinary users
       
Examples 
Abstractionism
Doublication
Animation
Banners
Pie Charts 
Wallpaper 
Art
Multicolor lines
Science 
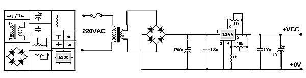
Wiring algoritm
Texures
  

Tutorial

 

 

 

 

 

 

 

Images Generator for  students.

Images Generator is general-purpose program that combines properties of power graphic editors and properties of program of automatic designing. It can be used for engineering drawing, for modelling of 3D objects, for design of electrical circuits, network diagrams, building plans, workflows, for creation of science illustrations and many others.